• RU
  • EN
ABCmechanics.com
О проекте Контактная информация
  • Подшипники
  • Подшипниковые узлы, корпуса
  • Cистемы линейного перемещения
  • Уплотнения
  • Ремни
  • Цепи
  • Звездочки
  • Справочник обозначений
  • Справочник торговых марок и производителей
  • Виртуальный каталог
Печать
Техническая спецификация PDF

Подшипники
GAL 45 DO 2RS INA

ТИП: Подшипники скольжения, Сферические подшипники скольжения и наконечники штоков, Наконечники штоков, Обслуживаемые, С наружной резьбой, контактные уплотнения с двух сторон, левая резьба, серия GAL..-DO-2RS (INA)
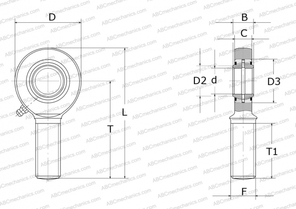
Чертеж подшипника GAL 45 DO 2RS INA: размеры, диаметры, ширина

Размеры, ммin

d
45,000
1,837
D
102,000
4,163
D2
50,800
2,073
D3
68,000
2,776
B
32,000
1,306
L
214,000
8,735
T
163,000
6,653
T1
94,000
3,837
C
27,000
1,102
F M42X3

Масса, кг

2.66

Производитель:

INA
Справочник обозначений - INA
© ABCmechanics.com, 2017-2026
© ABCmechanics.com, 2017-2026
Пользовательское соглашение
Cookie & Защита данных
Карта сайта