Подшипниковые узлы, корпуса
FYJ 50 KF SKF Подшипниковые узлы
|
|
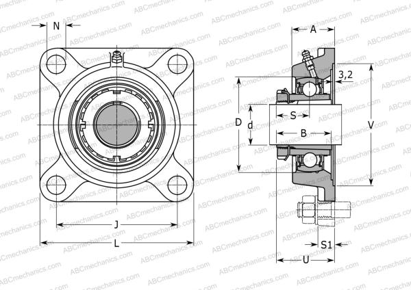
Размеры, ммin |
| d |
44,450
1,814
|
| D |
90,000
3,673
|
| B |
55,000
2,245
|
| L |
143,000
5,837
|
| A |
40,000
1,633
|
| J |
111,000
4,531
|
| A1 |
18,000
0,735
|
| N |
16,000
0,653
|
| S |
30,500
1,245
|
| U |
52,500
2,143
|
| V |
125,400
5,118
|
|
Масса,
кг
фунт
|
2,800
1,270
|
Подшипник |
YSA 210-2FK |
Корпус |
FYJ 510 |
Закрепляемая втулка |
HE 2310 |
|
Расчетные данные
| Номинальная динамическая грузоподъёмность, C |
35,100 кН
7890,831 lbf
|
| Номинальная статическая грузоподъёмность, Co |
23,200 кН
5215,592 lbf
|
| Предел усталостной прочности, Pu |
0,980 кН
220,314 lbf
|
| Предельная частота вращения |
4000 об/мин
4000 r/min
|
© ABCmechanics.com, 2017-2026