Подшипниковые узлы, корпуса
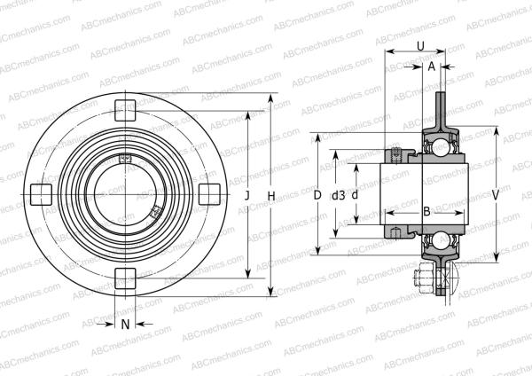
PF 30 WF SKF Подшипниковые узлы
|
Расчетные данные
| Номинальная динамическая грузоподъёмность, C |
19,500 кН
|
| Номинальная статическая грузоподъёмность, Co |
11,200 кН
|
| Предел усталостной прочности, Pu |
0,475 кН
|
© ABCmechanics.com, 2017-2026

